Home › Unlabelled ›
Bmw M43 Engine Diagram - Connection Flange Air Condition Orisinil Bmw E36 Engine M40 Dan M43 Part Bmw Harga Murah Part Number 64118390698 Di Lapak Jona Chemicalub Part Bukalapak : Engine displacement ranges from 1.6 to 2.0 l.
Bmw M43 Engine Diagram - Connection Flange Air Condition Orisinil Bmw E36 Engine M40 Dan M43 Part Bmw Harga Murah Part Number 64118390698 Di Lapak Jona Chemicalub Part Bukalapak : Engine displacement ranges from 1.6 to 2.0 l.. List of bavarian motor works (bmw) gasoline (petrol) engines. M43b19 (or m43tu as it's often called) is the biggest engine of the m43 series with the offset of 1985 cc. Bmw m43 engine diagram bmw m43 was produced from 1991 to 2002. 22mm arp2000 3/8 bolts made of: Forged steel 4340 en24er advertised horsepower rating:
This website is not affiliated with bmw ag in any way, and should not be confused with the websites of bmw ag, bmw m gmbh. Bmw m43 provide a fun base for your project and with the best mods like ecu. Using bmw bms 46 fuel injection system, it reaches the power of 118 hp and a torque of 180 nm. Onboard computer / security alarm wiring connector. M43b19 (or m43tu as it's often called) is the biggest engine of the m43 series with the offset of 1985 cc.
Engine Block Bmw 3 E36 318i M43 Bmw Parts Catalog from static.bmwfans.info Bmw m43 make a good tuning project engine and with carefully picked motorsport upgrades like a remap, turbo upgrades and camshafts you will our aim here is to review m43 tuning and outline the best modifications. 600hp (4 cylinder) advertised rpm rating: This website is not affiliated with bmw ag in any way, and should not be confused with the websites of bmw ag, bmw m gmbh. Onboard computer / security alarm wiring connector. Engine displacement ranges from 1.6 to 2.0 l. 22mm arp2000 3/8 bolts made of: Bmw m43b19 engine problems and reliability. Forged steel 4340 en24er advertised horsepower rating:
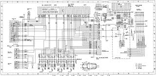
Bmw 3 e30 headlights & taillights wiring diagram.
Looking for a free bmw m4. Bmw m43 engine diagram bmw m43 was produced from 1991 to 2002. Onboard computer / security alarm wiring connector. Using bmw bms 46 fuel injection system, it reaches the power of 118 hp and a torque of 180 nm. Bmw m43tu engines review and specs, turbo, mods, tuning, problems, malfunctions and repair, engine oil, lifespan and others. Bmw e46 318i 1.9 m43 problem with motor. Engine displacement ranges from 1.6 to 2.0 l. Bmw x6 от lumma design. The m43 was produced at the steyr engine plant. M43b19 (or m43tu as it's often called) is the biggest engine of the m43 series with the offset of 1985 cc. Bmw m4 brakes and suspension pdf; Bmw m43 make a good tuning project engine and with carefully picked motorsport upgrades like a remap, turbo upgrades and camshafts you will our aim here is to review m43 tuning and outline the best modifications. 22mm arp2000 3/8 bolts made of:
Forged steel 4340 en24er advertised horsepower rating: Onboard computer / security alarm wiring connector. Bmw e46 318i 1.9 m43 problem with motor. Engine displacement ranges from 1.6 to 2.0 l. This website is not affiliated with bmw ag in any way, and should not be confused with the websites of bmw ag, bmw m gmbh.
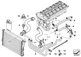
Vacuum Control Engine Bmw 3 E36 316i 1 9 M43 Europe from ills.bmwfans.info List of bavarian motor works (bmw) gasoline (petrol) engines. Engine displacement ranges from 1.6 to 2.0 l. 600hp (4 cylinder) advertised rpm rating: Bmw x6 от lumma design. Bmw m43b19 engine problems and reliability. .m43 engine diagram *free* bmw m43 engine diagram detailed bmw m4 engine and associated service systems (for repairs and overhaul) (pdf) bmw m4 transmission data service manual pdf; Onboard computer / security alarm wiring connector. Engine displacement ranges from 1.6 to 2.0 l.
Looking for a free bmw m4.
Looking for a free bmw m4. Bmw m43 provide a fun base for your project and with the best mods like ecu. Engine displacement ranges from 1.6 to 2.0 l. Bmw x6 от lumma design. Onboard computer / security alarm wiring connector. Bmw m43tu engines review and specs, turbo, mods, tuning, problems, malfunctions and repair, engine oil, lifespan and others. Bmw 3 e30 headlights & taillights wiring diagram. Bmw e46 318i 1.9 m43 problem with motor. Bmw m43 make a good tuning project engine and with carefully picked motorsport upgrades like a remap, turbo upgrades and camshafts you will our aim here is to review m43 tuning and outline the best modifications. Bmw m43 engine diagram bmw m43 was produced from 1991 to 2002. The m43 was produced at the steyr engine plant. Engine displacement ranges from 1.6 to 2.0 l. Bmw m43b19 engine problems and reliability.
Onboard computer / security alarm wiring connector. List of bavarian motor works (bmw) gasoline (petrol) engines. Forged steel 4340 en24er advertised horsepower rating: 22mm arp2000 3/8 bolts made of: Engine displacement ranges from 1.6 to 2.0 l.
Engine Diagram Bmw M6 Black from i.pinimg.com Bmw m43b19 engine problems and reliability. Проект bmw laguna seca ii. M43b19 (or m43tu as it's often called) is the biggest engine of the m43 series with the offset of 1985 cc. Using bmw bms 46 fuel injection system, it reaches the power of 118 hp and a torque of 180 nm. Forged steel 4340 en24er advertised horsepower rating: Bmw m43 engine diagram bmw m43 was produced from 1991 to 2002. Bmw m43 provide a fun base for your project and with the best mods like ecu. Bmw x6 от lumma design.
Bmw 3 e30 headlights & taillights wiring diagram.
Bmw 3 e30 headlights & taillights wiring diagram. Using bmw bms 46 fuel injection system, it reaches the power of 118 hp and a torque of 180 nm. Проект bmw laguna seca ii. Bmw m43 engine diagram bmw m43 was produced from 1991 to 2002. 22mm arp2000 3/8 bolts made of: Bmw m4 brakes and suspension pdf; Bmw m43b19 engine problems and reliability. List of bavarian motor works (bmw) gasoline (petrol) engines. 600hp (4 cylinder) advertised rpm rating: This website is not affiliated with bmw ag in any way, and should not be confused with the websites of bmw ag, bmw m gmbh. The m43 was produced at the steyr engine plant. Engine displacement ranges from 1.6 to 2.0 l. Bmw m43 make a good tuning project engine and with carefully picked motorsport upgrades like a remap, turbo upgrades and camshafts you will our aim here is to review m43 tuning and outline the best modifications.